Jump to content

Featured Replies

Posted

Hello forum!  1-  I am new to this organization,. 2- I have limited mechanical skills, 3- I have no electrical system test/repair skills ...three strikes but I'm trying to get back to just driving and enjoying my 77280!  At this point the Z has gone from start and run fine (even after long sit and charge/jump) and now with a new battery installed that has changed!  How I ask? This starts Z mystery...how can a fuel pump operation be affected by basic battery installation or is this some kind of totally unreal freak?? I should have just kept charging and carrying jumper cables. That worked!

Very long, involved chase to identify why the fuel pump (yes it works perfectly when it gets power) is not getting power from (new) battery and unchanged ignition system.  When I had a Z'r helping me in my garage we/he went through all electrical circuits to get car to start and run...until ignition turned off and restart attempted...connection/disconnection repeated sequence of fusible link power wire with key in "start" would get power back to pump and start w/ run fine.  Everything in wiring/ignition switch/relays and tested electrical circuits is the same but no consistent FP power...he couldn't figure it and I lost contact with him to even assist me to direct-wire pump from ignition switch.  I have no one to help me now and I am mechanically dumb. 

I can provide anyone interested further with a detailed write-up with all procedures/results to date to answering standard "did you try" questions...unless what has been done leads directly to direction from fusible link results.  I live in WNC between Asheville and Hendersonville.  Is anyone close that could help diagnose/(direct wire if absolutely necessary) at my house (I will gladly pay !)  Or does anyone know a highly qualified repair contact nearby???

I apologize for the essay!  I can answer 90% + questions by providing the detailed write up).  I at a dead end with a new battery...an on and off FP and no onsite assistance.  

Link to comment
https://www.classiczcars.com/forums/topic/55289-fuel-pump-mystery/
Share on other sites


Remove Ads
6 minutes ago, Packerz said:

 When I had a Z'r helping me in my garage we/he went through all electrical circuits to get car to start and run...until ignition turned off and restart attempted...connection/disconnection repeated sequence of fusible link power wire with key in "start" would get power back to pump and start w/ run fine.  Everything in wiring/ignition switch/relays and tested electrical circuits is the same but no consistent FP power..

I can provide anyone interested further with a detailed write-up with all procedures/results to date to answering standard "did you try" questions...unless what has been done leads directly to direction from fusible link results. 

I apologize for the essay!  I can answer 90% + questions by providing the detailed write up). 

Haven't you already been on this forum or another with the same problem?  Can't tell what you did.  Seriously, the collection of words below just doesn't convey much information. Kind of like the Talking Heads song "Burning Down the House".  Which they acknowledge is nonsense lyrics.  You can even sing "connection/disconnection repeated sequence of fusible link power wire" along to the song.  It fits!  Provide the detailed write-up instead.

"went through all electrical circuits to get car to start and run...until ignition turned off and restart attempted...connection/disconnection repeated sequence of fusible link power wire with key in "start" would get power back to pump"

 

If you're the same guy from the other forum, or ended up with his car, his fuel pump power had been fiddled with.  The AFM switch was bypassed and he had some other odd things going on.  So the Nissan wiring diagram and troubleshooting couldn't be applied.  Are you that guy?  I think it was zcar.com.

  • Author

Yep. Zcar.com. Still have the problem.  My Zcar.com postings were poor (apparently they still lack clear language trying to post what has been done) and my problem became of "no interest to that site".  Here I am again on Another site attempting possible Identification of fusible link actions and fuel pump operation.  Please, I still don't understand why I can't avoid "PO messed up wiring" responses..The only thing changed is AFM pinjumper wire (not an unheard of modification for ZX AFM/60mm on a built 3.1).  This alteration did power FP w/ ignition "on" position, granted not factory, but worked perfectly for 15+ yrs.  Rest of wiring is factory and circuits have been tested.  Nothing in wiring diagram has been changed . Same wiring as before when FP engaged w/key, start and run great.  I apologize if I can't understand. how wiring can be unchanged, battery changed, start of FP problem, fusible link power connections can create problem, so I can get repair help.  If my attempted explanation of problem or actions is a problem then I can supply better!  Regrettably  If it is not in anyone's interest then I'll stop asking Z forums.  Sincerely asking help.  No desire to create any negatives.     Doug

 

 

You decided to just hot wire the pump in the other forum.  And it was more than just the AFM switch, you've left out some details.  As I recall, your real goal was not to fix the car, but to understand the mystery of how it failed.  More of a discussion about how it happened than an attempt to fix it.  You already had a jumped AFM.  You didn't test circuits and show your results, you just wanted a theory.  Do you have a meter?  Are you trying to find the failed part or figure out how it failed?  Those are two different things.  Maybe you installed the battery backwards and damaged some parts.  Did you accidentally do that?  Regardless, you can't make progress without those details you said you had.

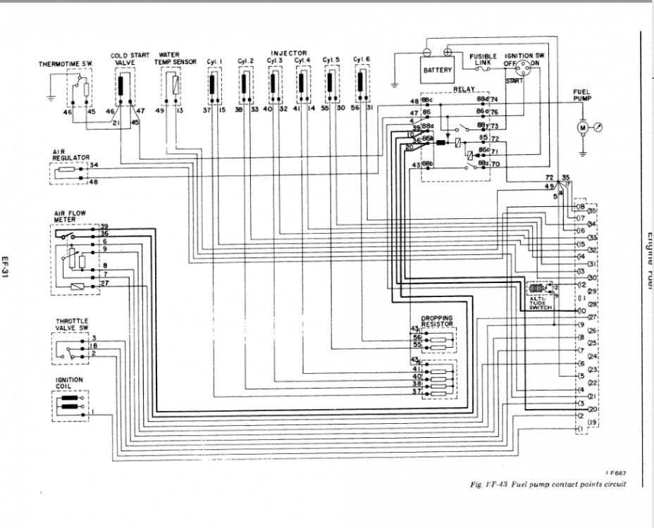
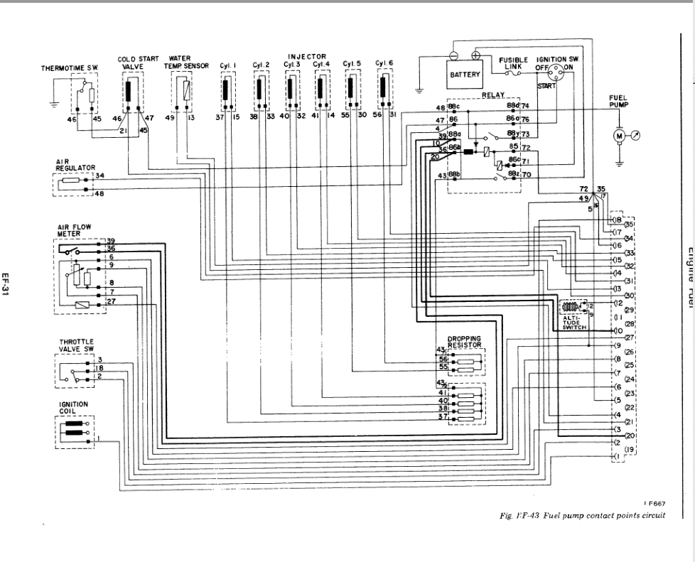
The one big advantage of this site over zcar.com is that we can post pictures here.  Here's the 77 diagram.  Can't remember but did you confirm that you have the 1x1x2 inch silver combined fuel pump and EFI relay up above the hood latch release lever?  A18-000 001 or 002.  That's where the important part is.  And it's expensive.  Might just be sticking.

1977 Fuel Pump Control circuit.PNG

3 hours ago, Packerz said:

 3- I have no electrical system test/repair skills ...three strikes but I'm trying to get back to just driving and enjoying my 77280!  

Aside from zcar.com and all of the above discussion, you have a fundamental problem of solving an electrical issue with no electrical skills.  Which may be what caused the problem in the first place.  Kind of like saying you want to drive a car but you don't know how to drive a car.  You're going to have go beyond "no electrical system test/repair skills".  How can it be any other way unless you're asking someone to come by your place and fix your car for you?  You're going to have to learn some new stuff.   

Or you can just replace parts until it works again.  Start with this one - http://www.summitracing.com/parts/bck-203-0053?seid=srese1&gclid=CLH_xc2zlswCFYqPfgodHdkAug

Edited by Zed Head

  • Author

Thank you for directing me Zed Head. Your responses have been mostly helpful in identifying my problems.  I'll try to learn more about auto electric to satisfy my fundamental problem. Okay.  I really didn't find Talking Head lyrics very helpful but your last two posts contain truly legitimate opinions.  Yes I can admit to enjoying driving the Z without knowing how repair it.

A direction that in order to solve my "how" mystery, I need to know how to diagnose issue hands-on myself and then fix the problem.  Okay, I get that too.  No need access either site forum for any further Z assistance until I can troubleshoot the problem myself or locate a local source to access: which is also what I asked help in finding.  I really have tried to learn from observing and asking questions from somebody in my garage or theirs... even though I have that fundamental problem lacking hands-on experience.  I am able to follow the wiring diagram from the FSM even though it leads me back to the power fusible link "why" issue detailed in write up I offered.  Suggested relay sticking or unknown battery mis connect could be possibllities.  Clearly, I've got to learn some more new stuff beyond my ability to follow that wiring diagram!   So far I have avoided throw parts at unknown problem (possible relay exception) or asking how to direct wire FP.  

Thanks.    Doug

  • Author

Charles, I may have to go this route but first I will try to learn as much as I can as fast as I can! Wish I could identify FP and power link inconsistency.  Perhaps a sticking relay is the answer but I still have no idea, or how to explain to someone else, why new battery caused sticking?  Oh well! 

Have you heard of anybody good in Z work near me/us? I am leery of taking it just anywhere and having the car held hostage in someone else's garage.

thank you for your kind replies...they are appreciated and renew my faith in a helping Z member!  Doug P.

Actually, I'm just suggesting that you not worry about why installing a new battery exposed or caused this problem.  Just fix the problem, and ponder how it happened later, after you fix it.  While you're driving your car.  

Recreate the problem, however it happens, then find out which component or wire along the power path isn't delivering.  Don't go through the pug-unplug routine, it doesn't matter much.   It might later, maybe in finding a stuck relay by it's clicking or not clicking, or in pondering the bad component's beahvior.  You have to find the component first though.  You can go directly to checking the relay, using the FSM instructions also.  The numbers, 86, 88, etc. are stamped in to the base of the relay.  You can test it while it's plugged in and has the problem.  Find a friend with a meter with some pointy probes or get one yourself, then locate the EFI/pump relay by the hood latch.  An electrical-minded person could test it without knowing anything about 280Z's, if you took the attached page and the relay to him/her.

You're lucky in that your problem is repeatable.  If ti only happened randomly it would be much more difficult to diagnose.

77 relay check.PNG

If you are gonna start diagnosing electrical problems then you are gonna need an electrical meter. Go get a moderately priced meter $40-60 would do it. Advance Auto, Lowes, Home Depot all have them. You need a meter that checks continuity and DC voltage 40V or so...

Create an account or sign in to comment

Remove Ads

Important Information

By using this site, you agree to our Privacy Policy and Guidelines. We have placed cookies on your device to help make this website better. You can adjust your cookie settings, otherwise we'll assume you're okay to continue.

Configure browser push notifications

Chrome (Android)
  1. Tap the lock icon next to the address bar.
  2. Tap Permissions → Notifications.
  3. Adjust your preference.
Chrome (Desktop)
  1. Click the padlock icon in the address bar.
  2. Select Site settings.
  3. Find Notifications and adjust your preference.